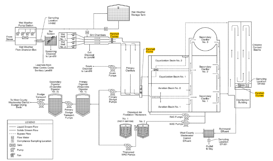
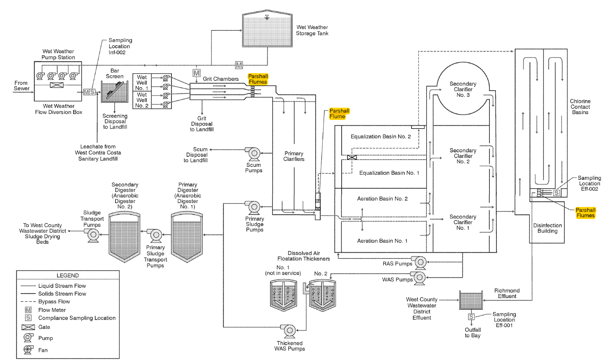
Parshall flumes are a mainstay of flow measuring throughout wastewater treatment plants (WWTPs).
They can be found:
- Measuring influent flows at the Headworks of the WWTP
- Usually downstream of Grit Separation
- Discharge out of the Primary Clarifiers to Secondary Clarifiers
- Measuring Returned Activated Sludge (RAS) from Secondary Clarifiers back to Primary Clarifiers
- Downstream of a Chlorine Contact Chamber or UV Disinfection System measuring treated effluent
Upstream of the WWTP, Parshall flumes can be used throughout the collection system measuring trunk flows and the industrial pre-treatment discharges.

