The 1-inch Parshall Flume is the smallest of the 22 standard Parshall flume sizes. The small size means that it is relatively limited in its use.
1-inch Parshall Flumes cannot be used on unscreened sanitary flows as they will clog. The 3-inch Parshall Flume is the smallest Parshall that can be used to measure these flows.
Applications

While somewhat limited in its uses, the 1-inch Parshall Flume can measure:
- Dam seeps
- Industrial pre-treatment
- Clean flows
- Acid mine discharge
- Smaller surface waters
- Creeks
- Furrows
- Ditches
Configurations
The 1-inch Parshall Flume is available in different configurations:
- Standard (transitions by others)
- End adapters (connecting to pipes and flanges)
- Stubs and flanges up to 10-inches [25.4 cm] can be accommodated
- Staged end adapters to fit into existing manholes
- Enclosures (factory mounted into above ground fiberglass enclosures)
- Metering manholes (factory integration of a flume into a fiberglass manhole)
- 1-inch Parshall Flumes can be integrated into manholes 4-feet [1.22 m] and larger in diameter
- Wing Walls
- To span rectangular channels
Flume Accuracy
Under laboratory conditions, a Parshall Flume can be accurate to within +/-2% - practically speaking; however, once approach conditions, installation errors, and construction tolerances are considered, the flume's free-flow accuracy is normally closer to +/-5% (ASTM D1941).
A flow equation is available to correct for submerged flow in Parshall Flumes - the equation is universal, allowing the calculation of both free and submerged flows.
Settlement or shifts out of level can be corrected.
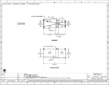
Flume Dimensions
Parshall flumes - small and large - are not to be considered scale models of each other. Openchannelflow recommends against using intermediate or untested sizes.
Smaller Parshall Flumes (1, 2, 3-inch sizes) do not have standardized sidewall heights. Openchannelflow's 1-inch Parshall has a standard sidewall height (at the primary point of measurement - Ha) of 9-inches [22.86 cm].
Free-Flow Equation
The free-flow equation for Parshall Flumes is:

For the 1-inch Parshall Flume:
| Minimum Head (ft) | 0.05 | Minimum Head (m) | 0.0152 |
| Minimum Flow Rate (cfs) | 0.0033 | Minimum Flow Rate (l/s) | 0.0921 |
| Maximum Head (ft) | 0.70 | Maximum Head (m) | 0.2134 |
| Maximum Flow Rate (cfs) | 0.1945 | Maximum Flow Rate (l/s) | 5.507 |
| Equation (cfs, ft) | 0.338*H1.55 | Equation (l/s, m) | 60.36*H1.55 |
Discharge Table
Openchannelflow's free-flow discharge table for the 1-inch Parshall is available for download.
The table provides:
- A plan view showing the primary point of measurement (Ha)
- Discharge equations in a variety of Imperial and SI units
- Flume accuracy
- Submergence Transition (St)
- Table source
Materials
Openchannelflow offers the 1-inch Parshall Flume in four different materials:
Of these materials, fiberglass is the most easily customized.
Submergence Transition
The Submergence Transition (St) of a flume is that point at which the downstream conditions sufficiently reducer the discharge out of the flume that the indicated flow rate needs to be corrected.

The Submergence Transition for the smaller Parshall Flumes (1, 2, 3-inch) is 50%. At this point and the discharge needs to be adjusted to reflect the actual flow rate.
